产品特性
产品类型特性
产品大类:
线对板连接器
产品部件:
产品间距:
2.5mm
产品小类:
电气特征
电压(V AC/DC):
250V.AC/DC
电流(A):
3A
电阻:
≤0.01Ω
绝缘电阻:
≥1000MΩ
适合线材
适用平方:
线缆尺寸 (AWG):
AWG28#~20#
使用环境
工作温度:
-25°C~85°C
应用范围
应用范围:
产品描述
优点:1.采用强力锁定机构。2.采用了防焊料开裂措施。3.低插入力化。4.插入导向机构。5.适用于电路板自动封装。6.极性定位柱。
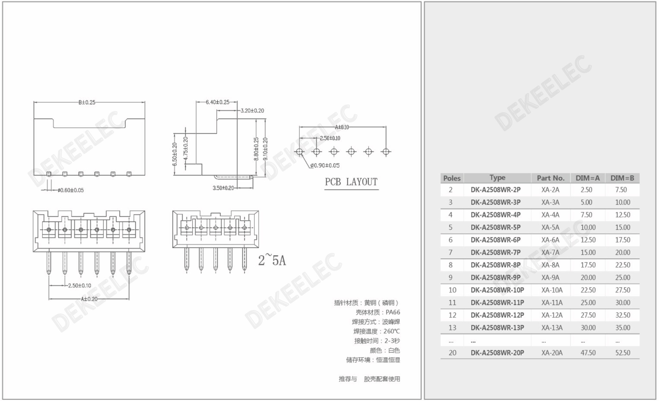
产品图纸

端子

胶壳

直针

弯针

扫一扫添加专属客服
电话:0755-2307557
邮箱:kobe@de-ke.cn
