产品特性
产品类型特性
产品大类:
储能连接器
产品部件:
产品间距:
产品小类:
电气特征
电压(V AC/DC):
5000V AC
电流(A):
250A~350A
电阻:
绝缘电阻:
200MΩ 以上
适合线材
适用平方:
70-95平方非屏蔽线
线缆尺寸 (AWG):
使用环境
工作温度:
-40℃~100℃
应用范围
应用范围:
储能机柜、储能集装箱、锂电电池、PACK、 家庭储能、电驱动、电动叉车电池、房车电池、低速代步车等
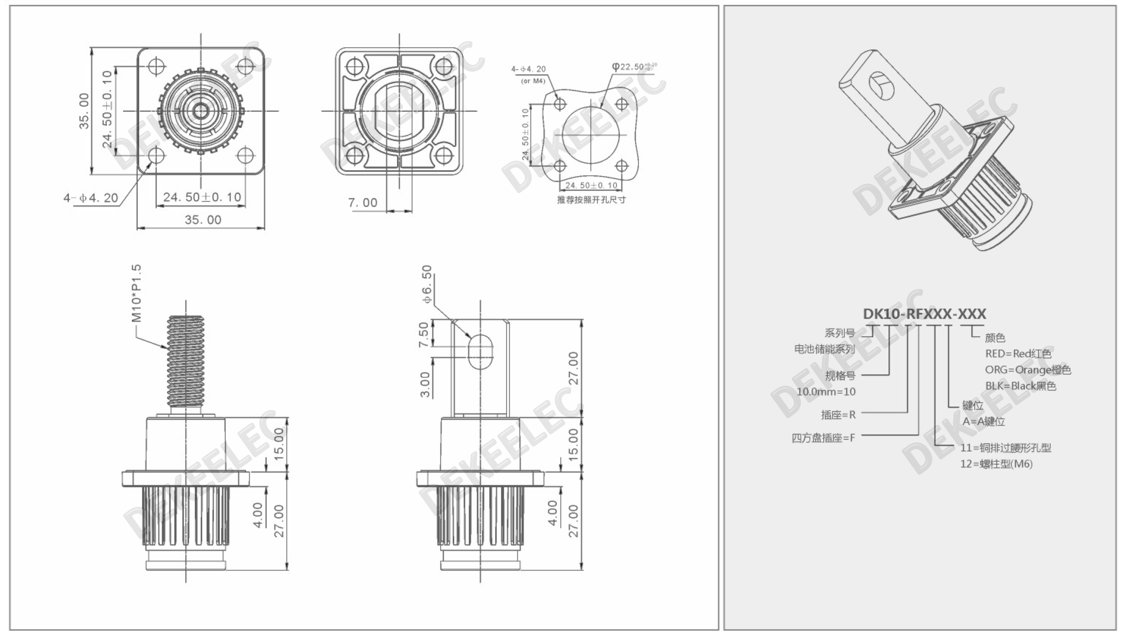
产品描述

产品图纸



扫一扫添加专属客服
电话:0755-2307557
邮箱:kobe@de-ke.cn
